科瑞通电子

产品中心
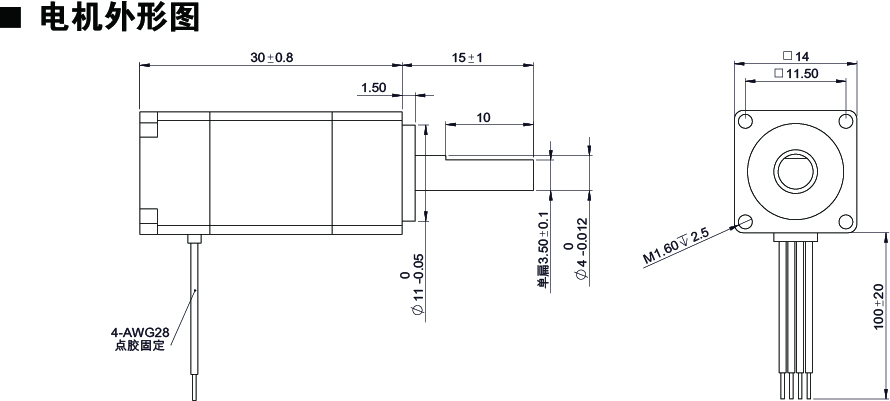
2CRT14HB30-A4

2CRT14HB30-A4

相数                            2
步距角精度                  ±5%
IP等级                         40  
认证                            RoHS CE ISO9001
绝缘等级                     B(130℃)
运行环境温度               -20℃~ +50℃

电气参数

电机型号

保持力矩(N.m )

机身L (mm)

轴径(mm)

额定电流(A)

相电感(mH)

电阻(Ω)

转子惯量(g. c㎡)

2CRT14HB30-A4

0.0058

30

4

0.3

1.7

22

2



2CRT14HB30-A4 尺寸图.jpg

开环14单轴动力图.png

2D尺寸图

  • 文件名称
  • 文件类型
  • 大小
  • 下载
  • 2CRT14HB30-A4
  • .PDF
  • 248KB
  • 下载

3D模型

  • 文件名称
  • 文件类型
  • 大小
  • 下载
  • 2CRT14HB30-A4
  • .step
  • 256KB
  • 下载

使用手册

  • 文件名称
  • 文件类型
  • 大小
  • 下载

推荐产品